Regulátor teploty RT 8804 (dále jen RT) je určen k regulaci teploty v zařízeních napájených střídavým elektrickým proudem, jako je např. elektrická pečicí trouba. RT neslouží jako vypínač.
Popis
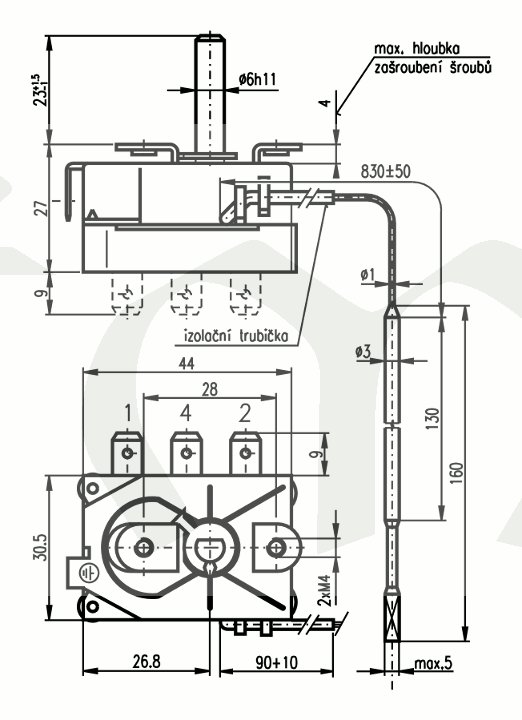
RT je jednopólový kapilární regulátor teploty založený na principu dilatace kapaliny. RT sestává ze dvou základních částí - ze spínacího ústrojí a kapilárního teplotního čidla. Na krytu je ochranný zemnicí kolík. Regulovanou teplotu může uživatel nastavit v rozmezí regulačního rozsahu.
Montáž RT se provádí dvěma šrouby M4.
Přednosti
-
možnost variabilního umístění a natočení čidla
-
nezávisle na poloze spínacího ústrojí
-
možnost montovat spínací ústrojí v libovolné poloze
-
možnost ohýbat kapiláru podle podmínek montáže
-
systém nemá žádnou vlastní spotřebu energie
-
nízké náklady na provoz a údržbu oproti elektronickým systémům
Technické údaje:
| Regulační rozsah |
+50 °C až +320 °C (nižší dle provedení) |
|
Přesnost nastavení max. rozpínací teploty |
±10 °C |
|
Diference spínací hodnoty |
4-10 K |
|
Jmenovitý proud |
16 (2,6) A |
|
Jmenovité napětí |
240 V |
|
Meze teploty spínacího ústrojí |
0 °C - 150 °C |
|
Max.teplota čidla |
330 °C |
|
Krytí |
IP 00, RT je vestavný |
|
Třída ochrany |
I. |
|
Životnost |
100 000 automatických cyklů |
|
Délka kapiláry |
1000 mm (včetně čidla), |
|
Min.poloměr ohybu kapiláry |
Rmin = 5 mm |
|
Připojovací svorky |
ploché kolíky 6,3 x 0,8 mm dle ČSN EN 61210 |
Po dohodě lze posunout regulační rozsah k nižší teplotě, dodávat RT v provedení přepínacím nebo v provedení 8804.01U s vývody otočenými o 90° (úhlové provedení - viz náčrt). Další informace je možné obdržet na poptávku. Výrobek je certifikován VDE.
Přehled typového označení
|
Typ |
Regulační rozsah teplot [°C] |
Provedení |
Počet svorek |
Provedení |
Zemnící kolík |
|
8804.01 |
+50..+320 |
rozpínací |
2 |
rovné |
ano |
|
8804.01U |
+50..+320 |
rozpínací |
2 |
úhlové |
ano |
|
8804.011 |
+50..+320 |
přepínací |
3 |
rovné |
ano |
|
8804.011U |
+50..+320 |
přepínací |
3 |
úhlové |
ano |
|
8804.01S |
+50..+190 |
rozpínací |
2 |
rovné |
ano |
|
8804.011S |
+50..+190 |
přepínací |
3 |
rovné |
ano |
|
8804.01N |
+50..+250 |
rozpínací |
2 |
rovné |
ano |
|
8804.011N |
+50..+250 |
přepínací |
3 |
rovné |
ano |
1304408, 12361, 12092
