Prostorový termostat se spirálovým čidlem vhodný k ovládání a nastavení teploty vzduchu v interiéru (klimatizací).
Termostat je vhodný pro montáž na zeď apod. (ideální využití jsou například kotelny, technologické a výrobní prostory ...)
- obsahule kapilární stočený senzor,
1 přepínací kontakt
- max. spínací parametry 250V/16Aac; 400V/10A odporová zátěž,
- max. spínací parametry 250V/5Aac; 400V/1A induktivní zátěž,
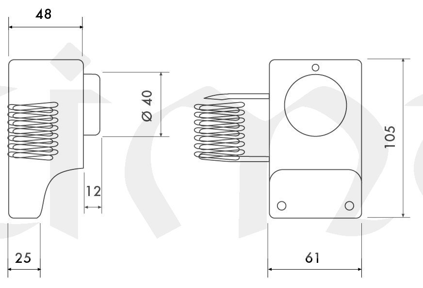
- rozměry 61 x 105 x 60 mm,
- hystereze 4 / 8°C
- krytí IP54
